|
Stroboscopic brightening controller ZLD seriesProduct features In combination with high-brightness light sources, it can instantly increase the brightness of the light source by tens of times One trigger signal can achieve multiple images Stable current drive keeps the light source stable and the image consistent Fast response time, with a minimum trigger delay of 1us The operation interface is extremely simple and supports constant lighting, making it convenient for debugging and installation Screw installation or DIN rail installation Application fields Ultra-high brightness, meeting the requirements of low exposure, high-speed movement, and aerial photography inspection project applications. It can be used with 4 or 8 zones of light sources and can be applied to obtain multiple images at the same workstation.
商品说明
Product Parameter list
面板说明
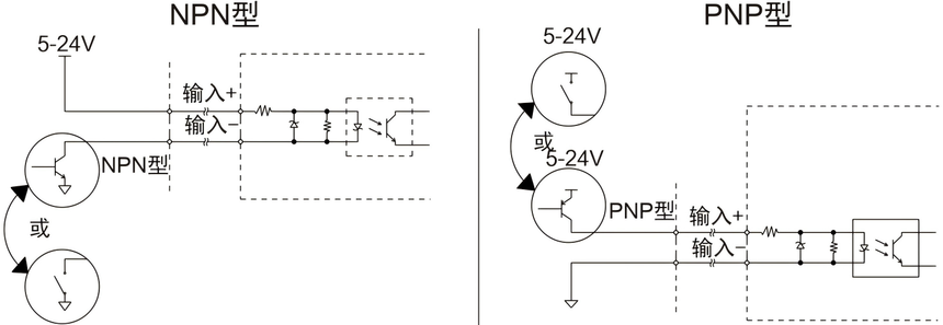
接线方式 步骤1 连接光源与控制器 步骤2 如果需要进行外部触发控制,需要将外部触发信号按照正确极性连接至控制器触发输入接口,具体如下图所示:
触发输入电气接线图 步骤3 如果需要使用该控制器的触发输出信号来同步相机拍照,进行外部触发控制,需要将相机的触发输入按照正确极性连接至控制器触发输出接口,具体如下图所示:
触发输出电气接线图 步骤4 如需使用该控制器的串口通信功能,需要使用配套的通信线缆与主机连接; 步骤5 接入交流输入电源,打开电源开关,此时面板上的电源指示灯点亮,数显正常显示。 触发说明
|





